Официальное опубликование правовых актов
ОФИЦИАЛЬНОЕ ОПУБЛИКОВАНИЕ
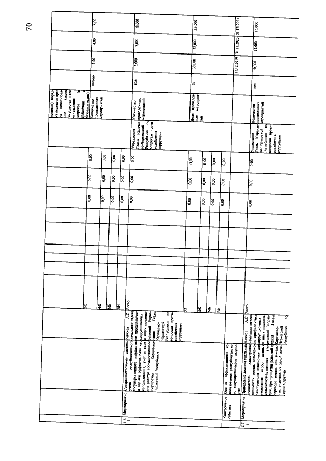
Постановление Правительства Карачаево-Черкесской Республики от 22.01.2019 № 24
"О государственной программе "Противодействие коррупции и профилактика правонарушений в Карачаево-Черкесской Республике"
Номер опубликования: 0900201901310001
Дата опубликования: 31.01.2019
Страница №72 из 88:
Увеличить