Официальное опубликование правовых актов
ОФИЦИАЛЬНОЕ ОПУБЛИКОВАНИЕ
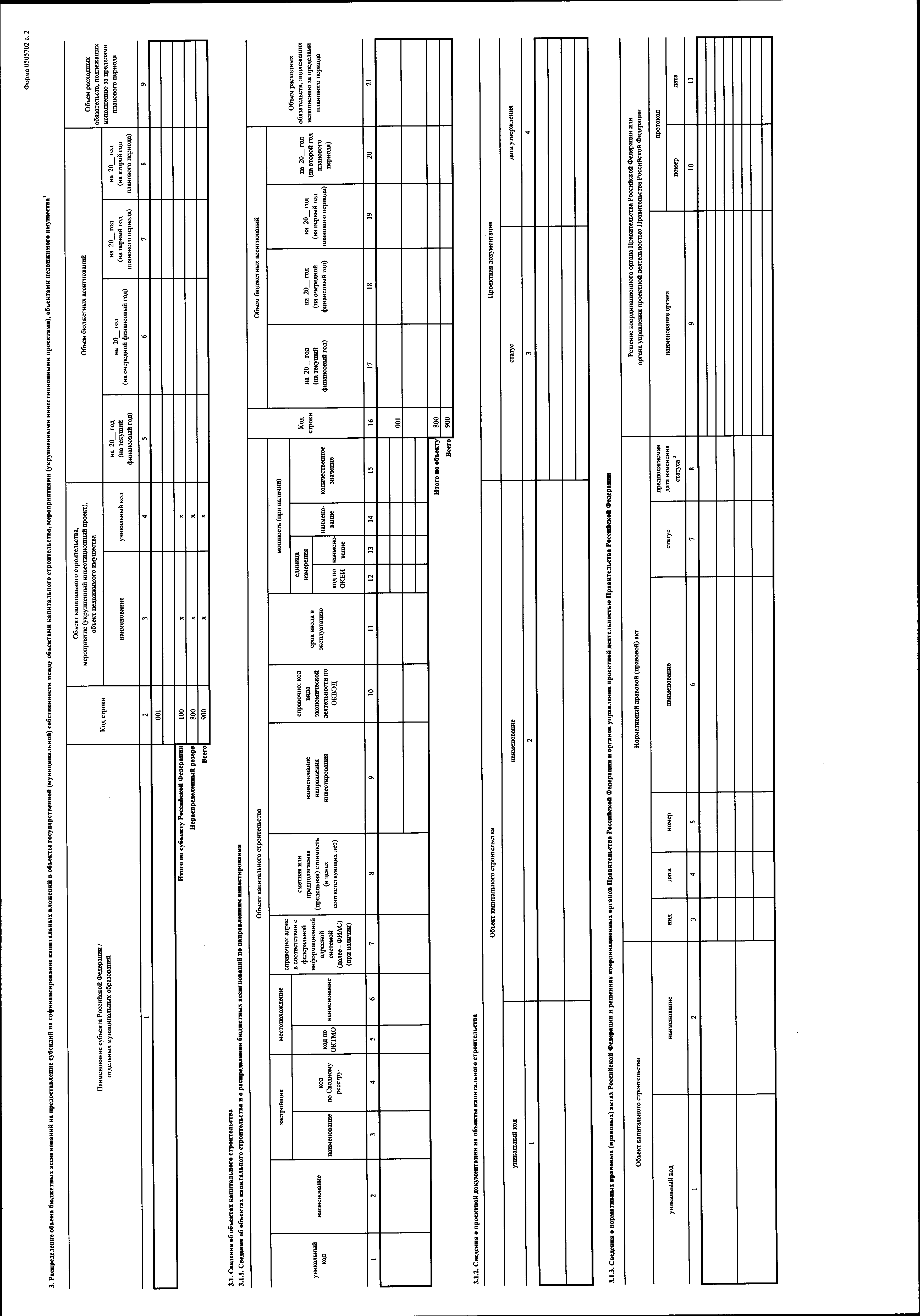
Приказ Министерства финансов Российской Федерации от 26.02.2021 № 31н
"О внесении изменений в Порядок формирования и представления главными распорядителями средств федерального бюджета обоснований бюджетных ассигнований, утвержденный приказом Министерства финансов Российской Федерации от 28 февраля 2020 г. № 32н"
(Зарегистрирован 11.05.2021 № 63377)
Номер опубликования: 0001202105110033
Дата опубликования: 11.05.2021
Страница №97 из 137: