Официальное опубликование правовых актов
ОФИЦИАЛЬНОЕ ОПУБЛИКОВАНИЕ
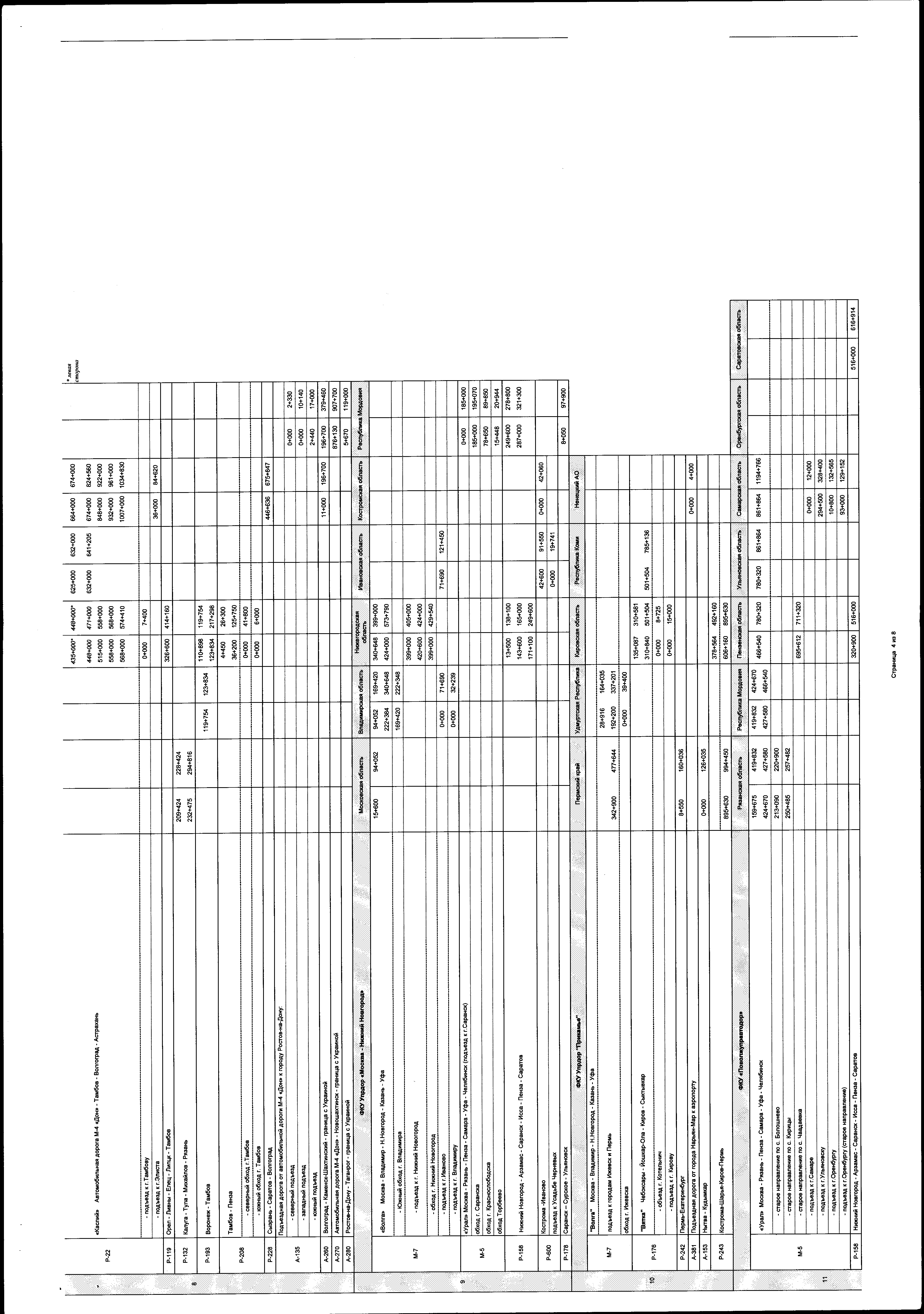
Приказ Федерального дорожного агентства от 25.03.2019 № 1002
"О введении временного ограничения движения транспортных средств по автомобильным дорогам общего пользования федерального значения в 2019 году"
(Зарегистрирован 15.04.2019 № 54371)
Номер опубликования: 0001201904160045
Дата опубликования: 16.04.2019
Страница №8 из 12: